


原标题:1400万像素!海康机器人CXP-12高速相机,让每一帧都清晰可见
在PCB、SMT等行业迈向微型化、高密度生产的进程中,对高帧率、高分辨率成像设备的需求不断增加。海康机器人精准聚焦产线痛点,全新推出1400万像素CXP-12高速面阵工业相机。

海康机器人CXP-12接口系列推出MV-CH140-90YM相机,采用Gsprint5514背照式传感器,具备5.5μm大像元,图像质量出色,最高帧率340fps,适用于PCB、AOI等行业。

精度+帧率 双项升级
相较于同级别前照式传感器的CXP-12相机,MV-CH140-90YM不仅将分辨率提升至1400万像素,帧率也从330fps优化至340fps,可实现替换与全面升级。

成像质量大幅提升
相机采用5.5μm超大像元设计,不仅具备优异的感光性能,图像信噪比也显著提升,读出噪声低至2e⁻。
此外,为解决高反射物体成像难题,该传相机支持双增益HDR(Dual Gain HDR),动态范围最高可达77.5dB。

量子效率高
该相机采用背照式传感器,可同时兼顾可见光和近红外的应用,在800 nm波长下量子效率达到40%以上,峰值量子效率可达86%。

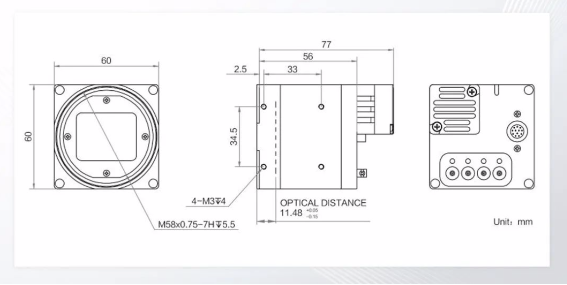
紧凑设计 性能更强
机身尺寸仅60*60*77mm,体积更小,采用M58镜头接口,适配性极佳,自带散热风扇,进一步保证图像稳定性,可有效降低热噪声。

3月26-28日
上海新国际博览中心
欢迎莅临海康机器人展位!
免责声明:本文为企业宣传商业资讯,仅供用户参考,如用户将之作为消费行为参考,凤凰网敬告用户需审慎决定。